Opis
Mehanički dizajn
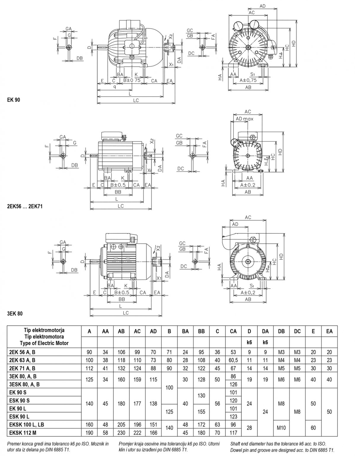
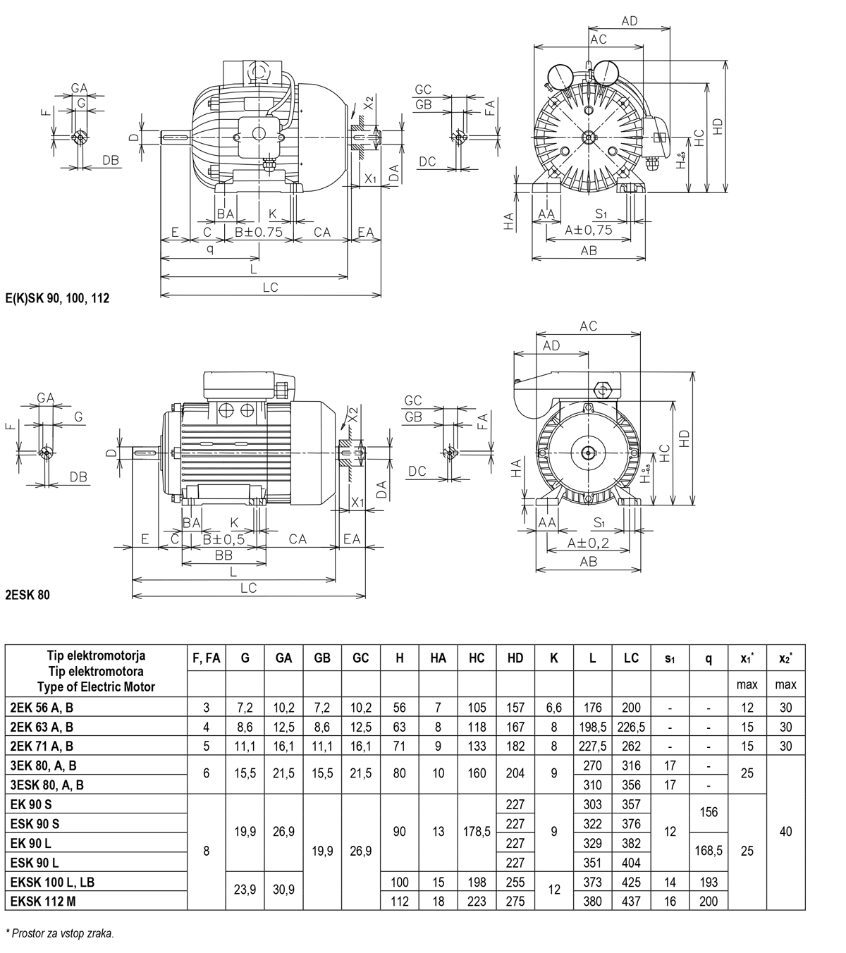
Jednofazni električni motori su po dizajnu slični trofaznim električnim motorima IEC. Uobičajeni dizajn je IM B3, a nivo zaštite je IP 54. Kondenzatori su pričvršćeni na vrh kućišta statora posebnim stezaljkama i spojeni na priključni blok u ormaru. Automatski prekidači za termičku zaštitu i termički senzori ugrađeni su u namote elektromotora. Elektromotori (3) ESK i (3) EKSK imaju ugrađeni centrifugalni prekidač u oklopu ležaja na N strani.
Jedan ili više kondenzatora montirani su na jednofazne električne motore. Jednofazni elektromotori imaju iste ležajeve kao i trofazni elektromotori iste veličine, osim elektromotora sa startnim kondenzatorom (EKSK 100 i EKSK 112), gdje su na N strani ugrađeni 6205 2Z ležajevi.
Električna verzija
Nazivne snage
Snage date u tabelama su nazivne snage koje emitiraju elektromotori na osovinama pti stalnom opterećenju, pri nazivnom naponu i frekvenciji, pri temperaturi okoline koje ne prelazi 40° C i na nadmorskoj visini do 1000 m.
Promjena snage
Snaga elektromotora se može smanjiti ili povećati ako se promijene sljedeći uslovi rada:
- ako se mržni napon ili frekvencija promijene za više od ± 6%
- ako se promijene uslovi hlađenja
- ako elektromotori rade na posebnom pogonu
- ako se elektromotori moraju pridržavati propisa koji nisu IEC 60034 ili DN VDE 0530 T1.
Napon i frekvencija
Standardni električni motori su napravljeni za povezivanje na mrežu od 230 V, 50 Hz. Na poseban zahtjev možemo napraviti i električne motore za druge napone frekvencije.
Izvedbe
Ovisno o izvedbi pomoćne faze, jednofazne električne motore dijelimo na:
a) jednofazni elektromotori sa trajno povezanim tj. pogonskim kondenzatorom
b) jednofazni elektromotori sa startnim kondenzatorom
c) jednofazni elektromotori sa startnim i pogonskim kondenzatorima
Termička zaštita
Jednofazne električne motore korisnici također mogu zaštititi prekidačima. Na zahtjev kupca u električne motore ugrađujemo:
- Automatska termička zaštita (bimetalna u namotaju elektromotora) – oznaka A
- Elektronska termička zaštita (termistor u namotu elektromotora) – oznaka E
Elektronska termička šteta predstavlja potpunu zaštitu elektromotora jer reaguje u sljedećim slučajevima:
- Kratki spoj (vijak elektromotora)
- Preteško pokretanje (električni motor je preopterećen)
- Preopterećenje (električni motor je preopterećen)
- Prenizak ili previsok mrežni napon ili frekvencija
- Nedovoljna ventilacija (blokiran protok ili previsoka temperatura vazduha za hlađenje itd.)
Automatska termička zaštita sa bimetalnim prekidačem u namotaju motora u slučaju kratkog spoja i preteškog starta nije najefikasnija zbog sporog reagovanja. Automatski prekidači za termičku zaštitu mogu se povezati na krug namotaja kod motora manje snage, a za veću snagu moraju se dodati kontaktori.
Prekidač za termičku zaštitu sa automatskim ponovnim pokretanjem pokreće električni motor tek nakon što se ohladi. Ovi prekidači smiju se koristiti samo tamo gdje to dopuštaju sigurnosni propisi. Njihova upotreba nije dozvoljena za električne motore koji pokreću mašine i uređaje kod koji trenutno i neočekivano pokretanje elektromotora može nanijeti osobne ozlijede korisniku (npr. kružne pile, stolarske mašine, brusilice itd.). Automatska termička zaštita (bimetal u namotaju elektromotora) automatski ponovo pokreće elektromotor (do veličine 80 bimetala direktno uključuje i isključuje motor, a za veće tipove potrebni su dodatni preklopni uređaji – kontaktori). U slučaju elektroničke toplotne zaštite, elektronika za isključivanje može se prilagoditi za automatsko ili ručno ponovno pokretanje.
Termički prekidači određeni su u skladu sa IEC 60034-11. Automatski prekidači za termičku zaštitu mogu se izravno povezati sa krugom namotaja kod motora manje snage, a za veću snagu moraju se dodatno priključiti kontaktori.
Podaci o radu jednofaznih asinhronih elektromotora
Standardni napon: 230V, frekvencija: 50 Hz






